Corn Receiving

Scale Hours

CORN RECEIVING:

Monday 05/26/25 – Closed Memorial Day 

Tuesday 05/27/25 – 7:30 am – 3:30 pm 

Wednesday 05/28/25 – 7:30 am – 3:30 pm 

Thursday 05/29/25 – 7:30 am – 3:30 pm 

Friday 05/30/25 – TBD 

Saturday and Sunday Closed 

If you have any questions, please call 616-374-4000


DDG LOADING HOURS

Monday – Friday 7:30 am – 3:30 pm.

Questions?

Please call: 616-374-4000

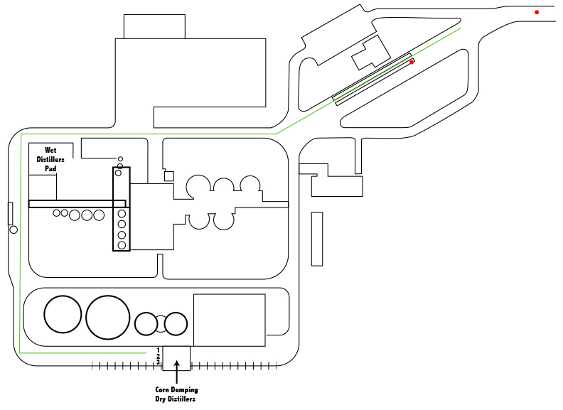
Scale Map


Follow the green line to the dumping/loading pits. 


For corn dumping, please use the appropriate pit (1 or 2). For Wet Distillers, please park on the north side of the wet pit. For Dry Distillers, please pull into pit 3 on the railroad tracks unless directed otherwise. 


Questions? Please call: 616-374-4000.

Contracting

When Carbon Green BioEnergy purchased this plant, the first goal was extending our ability to buy direct from corn producers. We expanded our infrastructure and streamlined receiving capabilities to keep value flowing directly from us to local farms. As a result, we can receive over 200,000 bushels per day. 


We offer producers the ability to market their grain as spot bushels or using these contracts:


  • Hedge-to-arrive
  • Basis
  • Fixed-price contract
  • Delayed pricing.


Contract Terms and Conditions


Talk with our grain buyers for information and to arrange the contract that works best for you.